山東博宇環保節能設備有限公司蒸發器產品包括蒸發濃縮設備、蒸發濃縮系統、mvr蒸發器、多效蒸發器、硫酸鈉干燥系統、硫酸鉀干燥系統等。產品應用于化工、食品、飲料、制藥、廢水處理、生物工程等行業。博宇環保為了保證產品先進性、可靠性、穩定性與山東大學、山東理工大學等一批業內專家組成的顧問團隊為后盾,同時擁有現代化的標準廠房、先進的生產加工設備以及設備制造管理隊伍。
應用領域:多效蒸發器廣泛應用于醫藥、食品、化工、輕工等行業的水或溶液的蒸發濃縮,并可廣泛用于以上行業的廢水處理。
多效蒸發系統產品介紹:在蒸發生產中,二次蒸氣的產量較大,且含大量的潛熱,故應將其回收加以利用,若將二次蒸氣通人另一蒸發器的加熱室,只要后者的操作壓強和溶液沸點低于原蒸發器中的操作壓強和沸點,則通入的二次蒸氣仍能起到加熱作用,這種操作方式即為多效蒸發。多效蒸發相對于傳統的簡單蒸發來說,節 約了大量的蒸汽和冷凝水,蒸汽和冷凝水的用量大約為傳統蒸發的一半左右,同時克服了傳統蒸發溫度過高容易造成物料變性或分解等問題,是一種簡單可靠并節能環保的蒸發方式。
多效蒸發系統產品優勢:
傳熱效率高
抗鹽析、不易結垢,具有自清潔功能
能耗低、運行費用低;
占地面積小,節省安裝空間;
運行平穩,自動化程度高;
工藝簡單,實用性強。
流程介紹:
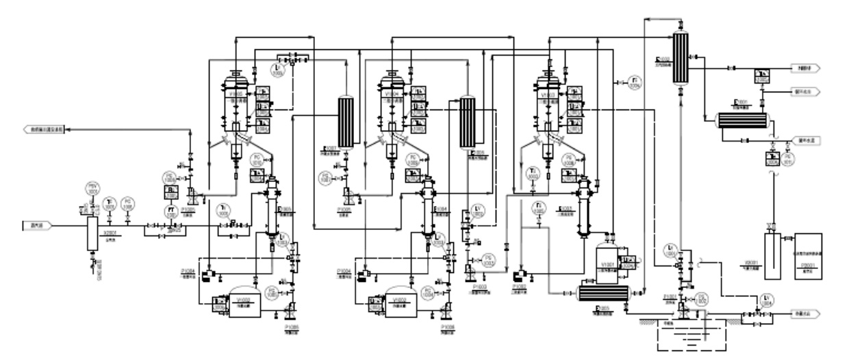
三效強制循環蒸發結晶工藝,該工藝主要分為原料料液系統、蒸汽系統、冷凝水系統、真空系統。詳述如下:
原料料液系統:原料料液由界外送至原料罐,通過進料泵輸送至原料一級預熱器進行一次預熱后,輸送至原料二級預熱器進行二次預熱后,輸送至三效循環管線,由三效循環泵輸送至二效加熱器加熱,料液由二效轉料泵輸送至一效循環管線,由一效循環泵輸送至一效加熱器加熱后進行汽液分離,濃縮后的料液由一效出料泵輸送至雙極推料離心機進行出鹽,母液進入到母液罐繼續進入蒸發系統。
加熱系統:生蒸汽自界區外進入減壓減濕裝置調溫調壓后,通過生蒸汽管道進入一效加熱器,對料液進行加熱。一效產生的二次蒸汽通過二次蒸汽管道進入二效加熱器對料液進行加熱,二效產生的二次蒸汽通過二次蒸汽管道進入三效加熱器對料液進行加熱,三效產生的二次蒸汽,進入表面冷凝器冷凝。
冷凝水系統:一效加熱器的生蒸汽冷凝水進入一效冷凝水平衡罐,汽液分離后,冷凝水進入原料二級預熱器對料液進行預熱后去界外。二效、三校加熱器的二次蒸汽冷凝水進入二效、三效冷凝液平衡罐,汽液分離后,冷凝液由冷凝水泵泵輸送至界區外。
真空系統:表面冷凝器的不凝氣由真空泵排放至大氣。
流程圖如下:

主要技術參數:
|
技術性能 |
型 號 |
|||||||
|
|
BYQ1000 |
BYQ2000 |
BYQ3000 |
BYJ1000 |
BYJ2000 |
BYJ3000 |
MVR1000 |
MVR1000 |
|
蒸發量(kg/h) |
1000 |
2000 |
3000 |
1000 |
2000 |
3000 |
1000 |
1000 |
|
蒸發總面積 (m2) |
~60 |
~130 |
~200 |
~40 |
~100 |
~150 |
-- |
-- |
|
蒸發形式 |
強制循環 |
強制循環 |
強制循環 |
降膜蒸發 |
降膜蒸發 |
降膜蒸發 |
降膜蒸發/強制循環 |
降膜蒸發/強制循環 |
|
裝機功率(KW) |
~30 |
~50 |
~70 |
~18 |
~30 |
~45 |
-- |
-- |
|
蒸汽使用量(kg/h) |
600-1100 |
1200-2200 |
1800-3300 |
600-1100 |
1200-2200 |
1800-3300 |
-- |
-- |
|
使用效數 |
1-2效 |
2-3效 |
2-3效 |
1-2效 |
2-3效 |
2-3效 |
1-2效 |
2-3效 |
|
適用范圍 |
適用于有結垢性、結晶性、熱敏性(低溫)、高濃度、高粘度并且含不溶性固形物等化工、食品、制藥、環保工程、廢液蒸發回收等行業的蒸發濃縮 |
廣泛用于醫藥、食品、化工、輕工等行業的水或有機溶媒溶液的蒸發濃縮濃,并可廣泛用于以上行業的廢液處理。尤其是適用于熱敏性物料,該設備在真空低溫條件下進行連續操作,具有蒸發能力高、節能降耗、運行費用低、且能保證物料在蒸發過程中不變性。 |
MVR蒸發器是重新利用蒸汽系統自身產生的二次蒸汽的能量,減少對外界能源需求的節能技術,其核心設備為蒸汽壓縮機,通過蒸汽壓縮設備的運行帶動蒸發,達到結晶功能的體現 |
|||||
|
備注 |
蒸發設備為非標設備,本選型只提供建議方案。根據水質以及物料的特性,可做詳細方案 |
|||||||
相關產品
在線搜索
山東博宇環保節能設備有限公司 .魯ICP備2021030688號 網站建設:中企動力 濟南